2360 Portland Street SE, Calgary, AB, T2G 4M6+1 825 454 66 97
CNCmarket Deutschland Logo
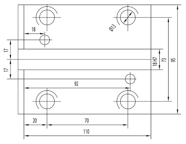
Straight (0°) live driven tool for BMT65 turrets, Weldon chuck 3/4" (0.75"), RPM=6000, RATIO 1:1 - CNC tooling, buy DTB65W075S, free delivery within Canada