2360 Portland Street SE, Calgary, AB, T2G 4M6+1 825 454 66 97
CNCmarket Deutschland Logo
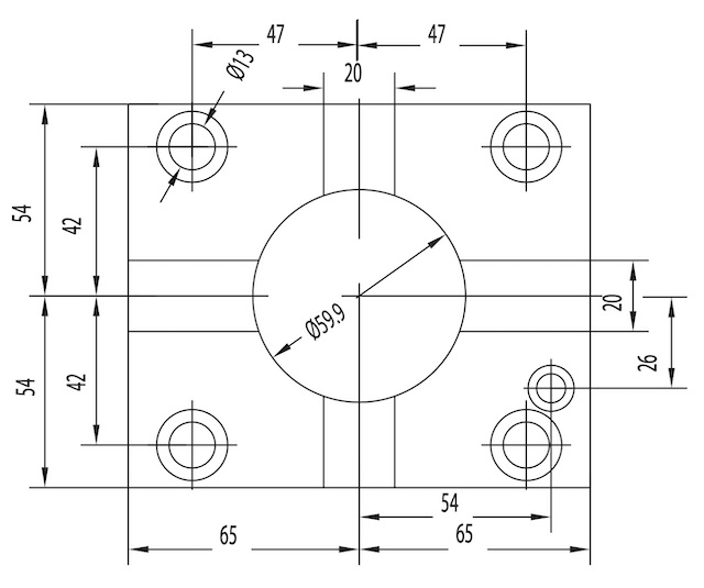
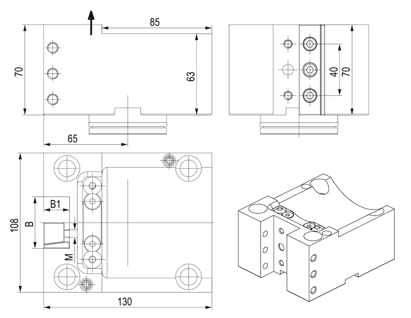
BMT60 OD turning toolholder, clamping capacity 25x25mm - CNC tooling, buy KMS-T00186, free delivery within Canada