2360 Portland Street SE, Calgary, AB, T2G 4M6+1 825 454 66 97
CNCmarket Deutschland Logo
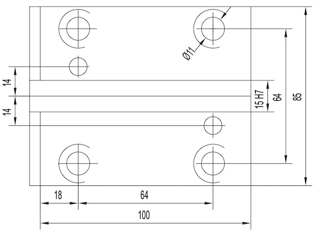
BMT55 (90°) OD turning toolholder, clamping capacity 25 x 25 mm - CNC tooling, buy BMT55-OD25-80, free delivery within Canada