

This axial base mount toolholder fits to lathes equipped with BMT 60 turret incl. OKUMA LB3000 EX (MW, MYW). It holds tools with round shunk of ⌀40mm for ID turning, boring, driling and threading. Tools with other shunk ⌀ are possible to hold with reduction sleeves. Toolholder has 2 external coolant channels. CNCmarket.ca provides 12 months of warranty and free shipping within Canada.
The price is calculated on 02.24.2026
Engineered for longevity and performance, this BMT60 tool holder (SKU: 128-21516) delivers unmatched versatility for demanding operations. The universal CNC lathe boring bar and index drills tool holder is one of the most popular and in-demand types of holders. This tool holder is designed for tools with a cylindrical shank, particularly boring bars or index drills bodies, thanks to the additional positioning screw. The BMT-type holder is positioned on the turret edge, with the axis of the central hole parallel to the spindle rotation axis. The central hole diameter is 40mm, and the height from the spindle face to the hole axis is 90mm. Reducer sleeves can be used for tools with smaller diameters This holder is compatible with the following Okuma machine tool models, equipped with a BMT60 turret:
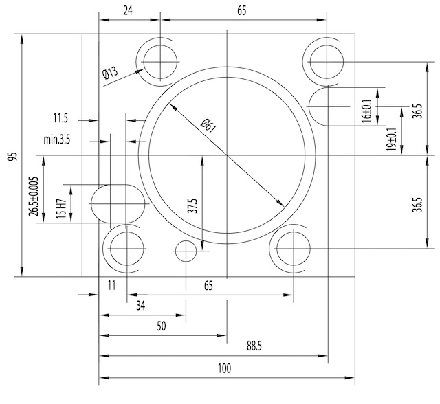
Details, mm:

Connection dimensions in mm: